Diagrama de cambio de aceite del ralentizador Voith
Apr 01, 2007
Todos los ralentizadores Voith deben desenroscar primero el tapón de llenado de aceite al drenar el aceite. En este momento, el puerto de llenado de aceite actúa como un orificio de ventilación que puede drenar rápidamente el aceite usado. Después de drenar el aceite, apriete el tapón de drenaje de aceite. Agregue lentamente una cantidad adecuada de aceite de motor al puerto de llenado de combustible y apriete el tapón de llenado de combustible. Si accidentalmente agrega demasiado aceite, solo puede repetir la acción de drenaje de aceite y volver a llenar (excepto 133-2).
115CT:

1. Oiling screw plug
2. Almohadilla de cobre
3. Almohadilla de cobre
4. Tapón roscado de vaciado de aceite
5.O-anillo
Herramientas necesarias: tornillo de engrase - llave hexagonal de 17 mm; Tapón roscado de vaciado de aceite - hexágono interior de 21 mm
Volumen de repostaje: 6,4 litros para cambio de aceite de mantenimiento; 6,8 litros si se cambia el radiador
115CN:
1. Almohadilla de cobre
2. Oiling screw plug
3.Oiling screw plug
4. Almohadilla de cobre
1. O-ring
2. Copper pad
3. Tapón roscado de drenaje de aceite
1. Almohadilla de cobre
2. Tapón roscado de la válvula de control de presión
Herramientas necesarias: tornillo de engrase - llave hexagonal de 17 mm; Tapón de drenaje de aceite - llave hexagonal de 10 mm
El tapón de la válvula de control de presión también debe desenroscarse, hay una pequeña cantidad de aceite en el interior
Volumen de repostaje: 5,9 litros para cambio de aceite de mantenimiento; 6,6 litros si se cambia el radiador
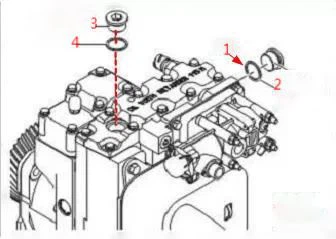
133-2:
1. Tapón roscado de engrase
2. Almohadilla de cobre
3. Varilla de nivel de aceite
4. Almohadilla de cobre
5. Tapón roscado de nivel de aceite
6. Tapón roscado de drenaje de agua
7. Tapón roscado de vaciado de aceite
8. Almohadilla de cobre
9. Almohadilla de cobre
10. Tapón roscado de drenaje de aceite y agua
Tools required: Oiling screw plug and oil drain screw plug-22mm outer hexagonal socket; dipstick screw plug-12mm inner hexagonal wrench
Oiling capacity: 6 liters for maintenance and oil change; if the radiator is replaced, 7.5-9 liters according to the size of the radiator
Note: The oil-water discharge screw plug should be disassembled and inspected when discharging the oil. Waste water and waste oil will be discharged; if you accidentally add more oil when refueling, you can unscrew the oil level screw plug to release the excess oil.
120-E:
1. Oiling screw plug
2. Copper pad
3. Copper pad
4. Drain screw plug
5. Nameplate
Tools required: Oiling screw plug-17mm allen wrench; drain screw plug-10mm allen wrench
Oiling capacity: maintenance and oil change 4 liters; if the radiator is replaced, 5.3 liters
123 más:
1. Tapón roscado de engrase
2. Almohadilla de cobre
3. Almohadilla de cobre
4. Tapón roscado de drenaje de aceite
5. Almohadilla de cobre
6. Tapón roscado de drenaje de aceite
7. Almohadilla de cobre
8. Tapón roscado de vaciado de aceite
1. Entrada de agua
2.Sensor de temperatura del aceite
3.placa de identificación
4.Sensor de temperatura del agua
5. Salida de agua
6. Perno de drenaje de aceite
7. Perno de drenaje de agua
8. Tapón roscado de vaciado de aceite
Herramientas necesarias: tornillo de engrase - llave hexagonal de 17 mm; tornillo de engrase llave hexagonal 12mm y 6mm
Al drenar el aceite, debe desenroscar los 3 tapones de drenaje de aceite para drenar el aceite.
Cantidad de aceitado: 6 litros para cambio de aceite de mantenimiento; 6,5 litros si se cambia el radiador
115E:
1. Oiling screw plug
2.Válvula proporcional
3. Carcasa del retardador
4.placa de identificación
5.Sensor de temperatura del agua
6. Salida de agua
7. Radiador
8. Entrada de agua
1.Sensor de presión
2.Sensor de temperatura del aceite
3. Tapón roscado de drenaje de aceite
4. Tapón roscado de drenaje de aceite (2 uds.)
Herramientas necesarias: tornillo de engrase - llave hexagonal de 17 mm; tapón de drenaje de aceite - llave hexagonal de 12 mm
Al drenar el aceite, debe desenroscar los 3 tapones de drenaje de aceite para drenar el aceite.
Cantidad de aceite: 6,7-7 litros según el tipo de radiador, cambio de aceite de mantenimiento; 7,2-7,5 litros si se reemplaza el radiador.






